首页
关于我们
PHCbi品牌介绍
PHCbi发展历程
关于SITUOLI
PHC产品中心
实时荧光定量 PCR
细胞代谢分析系统
医用低温箱(-86℃~150℃)
医用低温保存箱(-40℃)
血液保存箱 血液冷藏箱
药品保存设备
植物培养设备
多气体培养设备
二氧化碳培养箱
实验室碎花冰制冰机
新型立式高压蒸汽灭菌器
显微成像系统
正置显微镜
倒置显微镜
体视显微镜
显微镜光源
显微镜相机
显微镜配件
视频课堂
新闻中心
联系我们
留言
联系我们
首页
关于我们
PHCbi品牌介绍
PHCbi发展历程
关于SITUOLI
PHC产品中心
实时荧光定量 PCR
细胞代谢分析系统
医用低温箱(-86℃~150℃)
医用低温保存箱(-40℃)
血液保存箱 血液冷藏箱
药品保存设备
植物培养设备
多气体培养设备
二氧化碳培养箱
实验室碎花冰制冰机
新型立式高压蒸汽灭菌器
显微成像系统
正置显微镜
倒置显微镜
体视显微镜
显微镜光源
显微镜相机
显微镜配件
视频课堂
新闻中心
联系我们
留言
联系我们
首页
>>
显微成像系统
>>
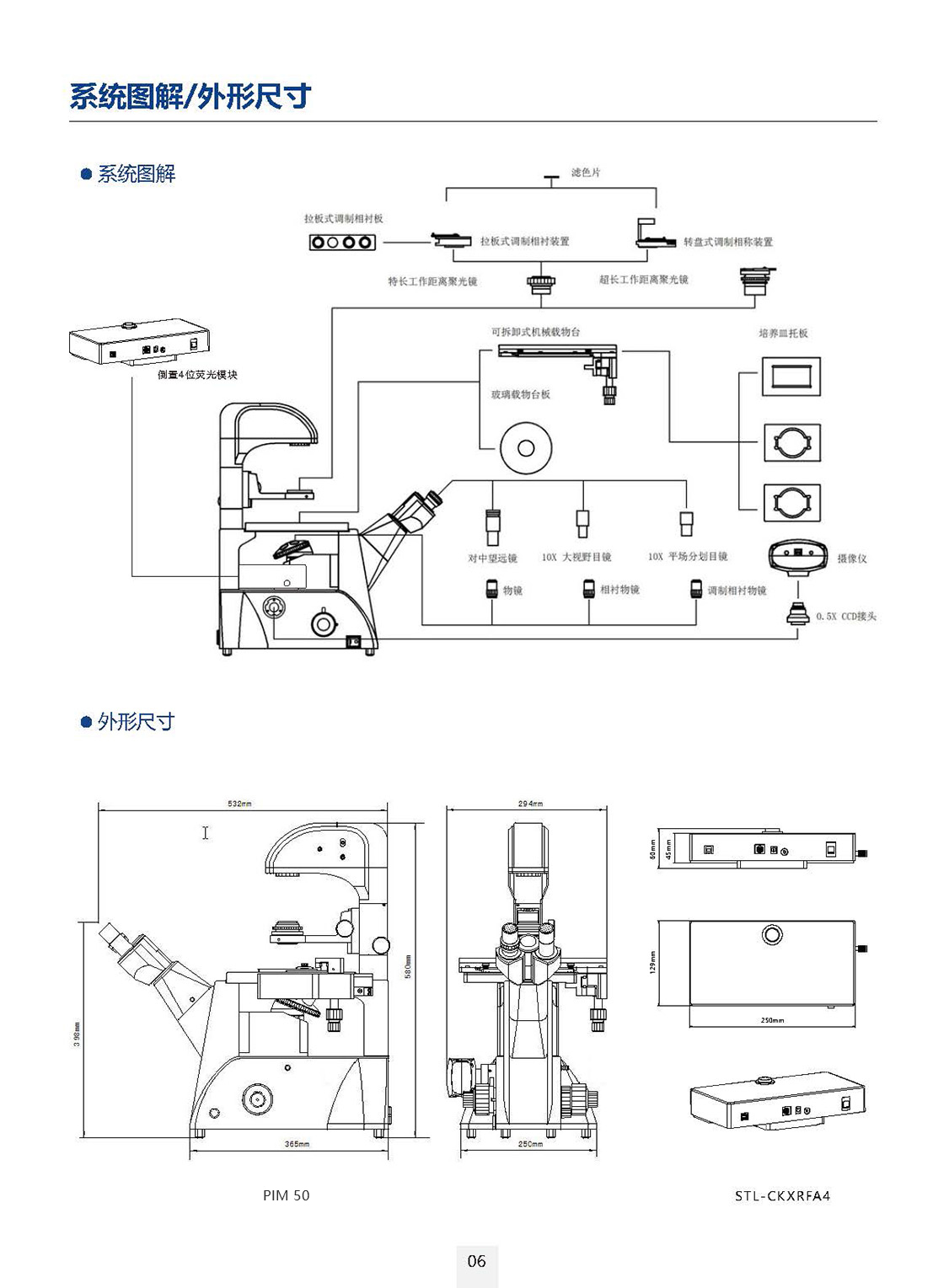
倒置显微镜
PIM 50FL 倒置荧光显微镜
获取资料与报价
产品详情 Product details
返 回
添加微信 获取详细资料
服务热线
400-988-2084
详细功能特性
获取价格优惠
获取内部资料
支持产品定制
关注微信公众号